3 Piece Ball Valve - Specifications & Features
Why is it called a Three Piece Ball Valve?
- The three piece ball valve has two body joints which means the body is made out of of three pieces, giving rise to the name “three piece".
How to use a Ball Valve:
- Flow is controlled with a 90 degree quarter turn of the handle.
- When the handle is perpendicular to the valve body, 90 degrees to the flow, then the flow is off.
- When the handle is parallel with the valve,in-line to the flow, then flow is open.
Function of the Ball Valve:
- They provide a simple 'on' or 'off' control of the flow.
- The flow rate can be regulated by partially opening or closing the valve, referred to as throttling.
Installing a Ball Valve:
- They are easy to install and require no tools for installation.
- Simply thread Male Threads of the same size into either of the female threaded ends.
Why is a Three Piece Ball Valve a full port?
- This 3 piece body design allows a larger ball to be installed at the time of manufacture, making this a full bore ball valve (Full port) .
- Full port means that the bore has the same inside diameter as the piping.
- This means is that pressure drop is kept to a minimum and flow rate is unaffected.
Advantages of a 3 Piece Ball Valve:
- Their best feature is that they are the easiest ball valve to clean and service,
- This can be done without removing the threaded ends from the pipe.
- By undoing the 4 bolts you can remove the center piece of the valve leaving the threaded ends attached.
Features
- ● Suitable Mediums: Water, Oil and Gas etc...(WOG).
- ● Seals: PTFE/Teflon.
- ● Port Size: Full Bore Ball Valve (Full Port, ID of pipe remains constant).
- ● Handle Style: Lever Style handle, the stem holding the handle is designed to be blow-out proof.
- ● Locking Device: Locking lever handle device,can be locked in the open or closed position (can be removed).
- ● Threads: Female Thread NPT (National Pipe Thread).
Performance Specifications:Pressure: 1000 PSITemperature:-13 to 302 degrees Fahrenheit
Design Specifications:Casting: Investment CastCast Approved: According to AD2000-WOInspection Test: According to API598, EN12266Dimention Standards: ASME B1.20.1 BS21 DIN 299/259,ISO228-1, JIS B 0203, ISO7/1Design and manufacture: CE0035 Approved (According to PED97/23/EC)
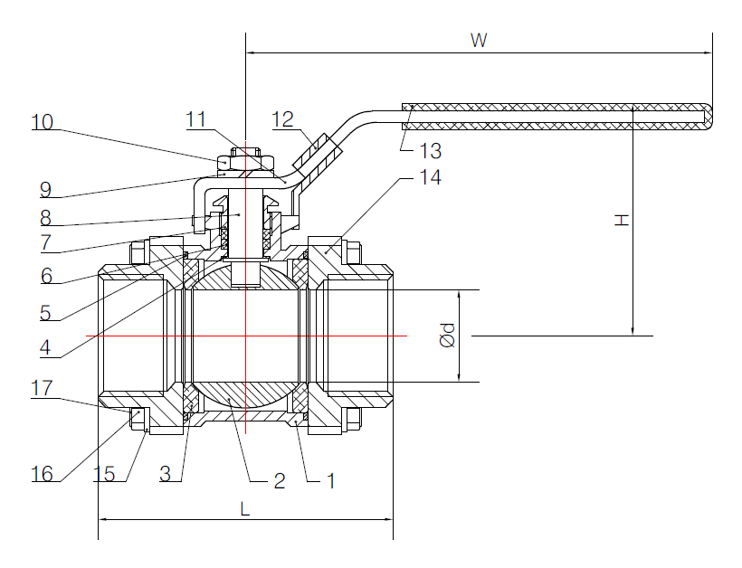
Material list - 3 Piece Stainless Ball Valve
- ● All internal parts that come into contact with the liquid being transported is 316 stainless Steel
- ● Teflon (PTFE) Seals and Seat, making this 3 piece SS ball valve suitable for any medium that is compatible with PTFE (Teflon) and Stainless Steel.
- ● This Ball Valve is Chemical and heat resistant making it suitable for CIP (Clean In Place) procedures.
- ● Being threaded they are quick to install to and easy to use.
- * CF8M is the modification made to the CF8 Alloy which makes CF8/CF8M equivalent to Stainless Steel 316.
General Dimensions - Three Piece Ball Valve
- ● The Valve is sized according to the pipe size, hence a 2" pipe will require a 2" Valve.
- ● Female NPT threaded ends for quick connection to any pipe with Male Threaded ends. (No Tools required for installation.)
- ● The center portion containing the ball valve can be removed leaving the threaded ends connected to the pipe
- ● Designed for easy servicing and cleaning. (4 bolts hold the 3 valve body pieces together.)
Pressure Chart - 3 Pc Ball Valve
- ● Working Pressure is 1000 PSI at room temprature.
Custom Labelling
- ● Handle covers can be custom labeled with a choice of colors besides the usual blue plastic cover
- ● Brand your ball valve with your company's name
- ● Label your valve according to the function it performs in order to avoid confusion and increase safety.
Three Piece Ball Valve Spare parts
- ● Spare parts available in all sizes and include:
- ● Lever Handles with Latch Lock.
- ● Seals and Seats in Teflon (PTFE).
- ● Plastic Handle Covers.
3 Piece Stainless Valve for easy cleaning
- ● The main advantage is that this valve can be disassembled quickly and easily into its component parts.
- ● Each part can be cleaned and serviced separately before being put back together.
- ● This is very useful in the Food and Beverage industries or where ever regular cleaning is required.
3 Pc Stainless Steel Ball Valves build to last
- ● Available standard with a blow-out proof handle stem enabling them to perform well in challenging environments reaching pressures of 1000 PSI.
- ● Since it is manufactured from premium grade stainless steel 316 the 3 Piece SS Ball Valve remains Strong, Chemically inert and immune to rust.
- ● The Teflon/PTFE seats and seals make it suitable for high temperatures and also make it chemically resistant to many solutions.
- ● Since it can be taken apart, it can easily be serviced replacing worn components ensuring a long service life.
Leading Supplier of 3 Stainless Steel Ball Valves
- ● We supply a wide variety of 3 SS Ball Valves to a variety of different industries across the U.S.
- ● We keep good stock levels enabling us to supply most valves as ordered.
- ● We can special order large quantities as well as specialized ball valves.
- ● To find out more about our 3 piece stainless valves call us at (951) 279-5500.
Click Here to Purchase 3 Piece ball Valves

