STAINLESS STEEL BALL VALVE SPECIFICATIONS AND FEATURES
Two Piece Ball Valves
Specifications:
- Suitable Mediums: Water, Oil and Gas (WOG)
- Seats and Seals: PTFE (Teflon)
- Threads: Female BSP (Female British Standard Pipe Thread)
- Port: Full Port/ Full Bore (Internal Diameter remains same as the pipe ID)
- Handle: Blow-Out Proof Design
- Handle Locking Mechanism: Handle equipped with locking device (removable)
- Pressure Rating: 1000 PSI making them suitable for most applications.
All our 2 Piece Ball Valves are full port or more commonly referred to full bore ball valves. Full port/ bore means the hole in the ball will match the pipeline size. This results in lower friction loss. These ball valves are the most widely used across general industry due to their combination of low cost, ease of use and durability.
Design Data:
- Casting: Investment Casting (AD2000-WO)
- Dimension Standards: According to DIN299/259; ISO228-1; JIS B0203; ISO7/1
- Threads: ASME B1.20.1 BS21 DIN299/259
- Approvals: CE0035
- Inspections and Testing: According to EN12266-1, AP1598
Performance Specifications:
| Pressure Rating: | 1000 PSI (69 bar) |
| Temperature: | -25°C to 150°C (-13°F to 302°F) |
| Shell (Body) Test: | 1392 PSI (96 bar) |
| Seat Test: | 87 PSI (6 bar) |
Pressure Chart:

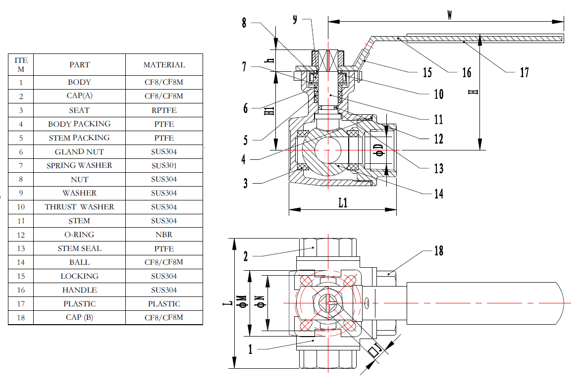
Material Components:
- Valve Body:Stainless Steel 316 (CF8/CF8M)
- Seats & Seals:Teflon (PTFE)
- Non-wetted parts:Stainless Steel 304 (parts that don’t interact with the material being transported)
Good for use with any substances compatible with Stainless Steel and Teflon (PTFE)

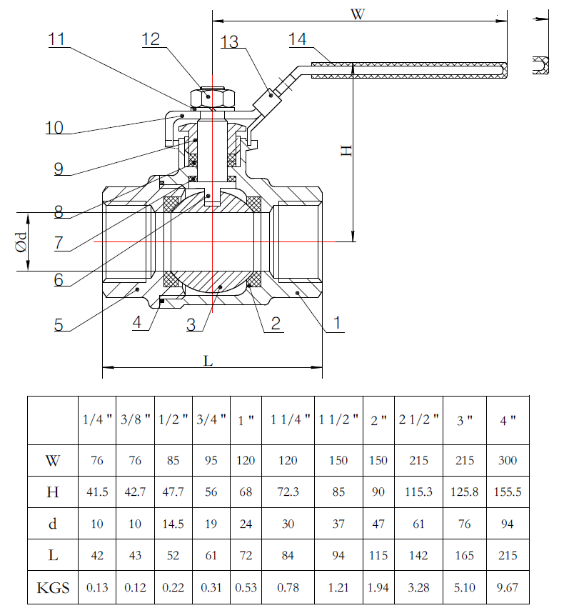
General Dimensions:
- The pipe size determines the size of the ball valve required. A 2” (50mm) pipe will take a 2” (50mm) ball valve.
- No tools are required for the install these threaded ball valves; the valve Female BSP thread will screw directly onto a pipe threaded with a Male BSP thread.
- Two styles of 2-piece ball valves are stocked: Regular and Compact styles.
- Compact Style: Ideal for tight spaces and/ or where budget is a concern.
- Regular Style: This is slightly larger and thus heavier than the compact version. It also has a larger handle. Also referred to as the heavy-duty version.
1. Compact Style (304 and 316)

2. Regular (Heavy Duty) Style (316)

THREE PIECE BALL VALVE
Specifications:
- Suitable Mediums: Water, Oil and Gas (WOG)
- Seats and Seals: PTFE (Teflon)
- Threads: Female BSP (Female British Standard Pipe Thread)
- Port: Full Port/ Full Bore (Internal Diameter remains same as the pipe ID)
- Handle: Blow-Out Proof Design
- Handle Locking Mechanism: Handle equipped with locking device (removable)
- Pressure Rating: 1000 PSI making them suitable for most applications.
The distinctive feature of these valves is that they can easily be taken apart for cleaning purposes. By loosening 4 bolts the body separates into three parts. This allows one to leave the ball valve threaded in location while just removing the ball valve body. This type of ball valve is widely used in the food and beverage industry and in other applications where cleaning is required.
Design Data:
- Casting Standards: AD2000-WO
- Design & Manufacture Standards: EN12516-1/-2, PED97/23/EC (CE0036)
- Dimension Standards: DIN3202/4-M3, DIN2999/259, ISO228-1, ISO7-1, ASME B1.20.1, BS21
- Valve Inspection & Testing According To: En12266-1, API 598
- Corrosive Allowance: 2mm
- CE Approval for: DN32~DN100.
Performance Specifications:
| Pressure Rating: | |
| Low Pressure Test | 87 PSI-116 PSI (6-8 bar) |
| Pressure at max. Temperature | 645 PSI (44.5 bar) for 1.4308 and PN63 728 PSI (50.2 bar) for 1.4408 and PN63 409 PSI (28.2 bar) for 1.4308 and PN40 461 PSI (31.8 bar) for 1.4408 and PN40 |
| Pressure at min. Temperature: | 865 PSI (59.7 bar) for 1.4308 and PN63 887 PSI (61.2 bar) for 1.4408 and PN63 550 PSI (37.9 bar) for 1.4308 and PN40 563 PSI (38.8 bar) for 1.4408 and PN40 |
| Temperature: | -10°C to 120°C (14°F to 248°F) |
| Shell (Body) Test: | 1378 PSI (95 bar) for DN6~DN50 870 PSI (60 bar) for DN65~DN100 |
| Seat Test: | 1015 PSI (70 bar) for DN6-~DN50 638 PSI (44 bar) for DN65~DN100 |
Pressure Chart

Material Components:
- Valve Body: Stainless Steel 316 (CF8/CF8M)
- Seats & Seals: Teflon (PTFE)
- Non-wetted parts: Stainless Steel 304 (parts that don’t interact with the material being transported)
- The body of this valve is divided into 3 segments held together by nuts, bolts and pipe nipples.
- Two end-sections are threaded with a removable central portion which holds the ball valve.
- For cleaning, portion can be removed, leaving the other two ends still connect to the pipe for easy access without having to unscrew the whole ball valve.
Compatible with substances suitable for use with Stainless Steel and PTFE.

General Dimensions:


THREE WAY BALL VALVE
3 Way Ball Valves come in two styles depending on the flow pattern they producenamely the L-Port and the T-Port. Both shapes provide options for diverting flow from or to different sources. While similar they do different things. In the case of a T-Port Valve fluid can be directed to more than one location simultaneously. The L-Port valve is a Diverter Valve, use to divert flow from one inlet to a choice of two outlets. They may also be used as Selector Valves, choosing between one of two inlets to flow to a given outlet.
Specifications:
Pressure Chart

Material Components:
- Valve Body: Stainless Steel 316 (CF8/CF8M)
- Seats & Seals: Teflon (PTFE)
- Non-wetted parts: Stainless Steel 304
Teflon/ PTFE seals ensure these robust 3-Way valves are both high temperature and chemical resistant, as well as being corrosion resistant.

General Dimensions:
- Although ostensibly manufactured from four pieces, namely a valve body with three caps attached to each port end, the body is still manufactured out of a single piece.
- The outlet configuration means that a 3 way ball valve cannot accept a ball as large as the 2 Piece & 3 Piece can. This makes the ID (internal diameter) of the 3 way smaller than the full port. However, they are not as reduced as the standard port or reduced port.
- The ID is wider than the one piece ball valve of equivalent size.



