2 Piece Ball Valve - Specifications & Features
Why is it called a Two Piece Ball Valve?
- The two piece ball valve has one body joint which means the body is composed of two pieces, hence the name “two piece”.
How to use a Ball Valve:
- Flow is controlled with a quarter turn of the handle.
- When the handle is at 90 degrees to the valve body, perpendicular to the flow, then the flow is off.
- When the handle is in-line with the valve, parallel to the flow. then flow is open.
Function of the Ball Valve:
- They provide a simple on/off control of the flow.
- They also have the ability to control flow rate by opening and closing to different degrees, this process is called throttling.
Installing a Ball Valve:
- Quick and easy to install, threaded valves are easy to use and require no tools for installation.
- Simply thread Male Threads of the same size into either end of the Female Threads.
Why is a Two Piece Ball Valve usually a full port?
- This 2 piece body allows a larger ball to be installed at the time of manufacture, which makes this a full bore or full port ball valve.
- Full bore means that the bore hole in the ball has the same inside diameter as that of the piping it is connected to.
- The advantage is that there is no pressure drop and flow rate is unaffected.
The Different Types of 2 Piece Ball Valves we offer:
- We carry a compact version to go along side our standard version.
- We also offer both these 2 valve styles in valves in both 304 and 316 Stainless Steel.
- The Compact SS Valve:
- ● These are fast becoming the industry standard.
- ● Has the same spec's as the standard version 1000 PSI (WOG).
- ● Valve body is slightly smaller (less weight).
- ● The handle is slightly shorter than the standard version.
- ● Lower cost
- ● Being more compact, it takes up less space and is ideal in application where space is limited.
- The Standard SS Valve:
- ● These are starting to be called the Heavy Duty Versions.
- ● These are the premium 2 piece valves, more similar to Nibco valves, Apollo valves, Watts ball valves and Keckley valves.
- ● Longer Handles
- ● Heavier larger body
The most popular Ball Valve
- Why are 2 piece ball valves the most popular valves
- The short answer is price
- They are the best price ball valves with a full port or full bore. (This means the size of the pipe remains constant, it is not reduced)
- The 1 Piece Ball Valve is better priced, however it is a reduced port (Also called a standard Port).
- The 3 Piece is also a full port, however the price is higher.
Features
- ● Suitable Mediums: Water, Oil and Gas products etc...(WOG)
- ● Seals: PTFE/Teflon
- ● Port Size: Full Port Ball Valve (Full Bore, ID the same as the pipe)
- ● Threads: Female Thread NPT (National Pipe Thread)
- ● Handle Style: Lever Style handle with blow-out proof handle stem.
- ● Locking Device: Handle has a device to lock in the open or closed position (It can be easily removed)
Performance Specifications:● Pressure Rating: 1000 PSI● Temperature Rating: -13 to 302 degrees Fahrenheit
Design Specifications:● Casting Type: Investment Casting● Casting: Approved AD2000-WO● Inspection Testing: According to API598, EN12266● Dimention Standards: According to ASME B1.20.1 BS21 DIN 299/259,ISO228-1, JIS B 0203, ISO7/1● Design and Manufacture: According to PED97/23/EC (CE0035) Approved
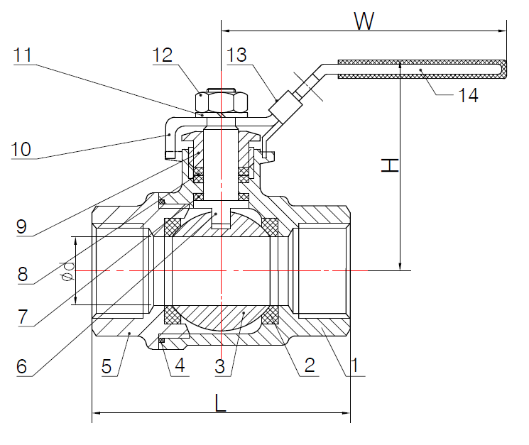
Material List - Stainless Steel (316) 2 Piece Ball Valve
- ● All wetted parts that come into contact with the liquid are SS316.
- ● PTFE (Teflon) Seats and Seals, making this 2 piece valve suitable for any substance that is compatible with Stainless Steel and Teflon.
- ● The valve body is designed to be durable and the handle has built in provisions to prevent it from the adverse effect of high pressure.
- ● Threaded end connections make it easy to install.
- * CF8 is an alloy and CF8M is the modification made to that Alloy that is equivalent to AISI stainless steel 316.
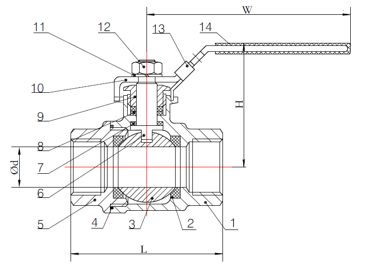
General Dimensions - 2 Piece Ball Valve
- ● Typically the size of the Pipe determines the size of the valve, so a 1" Pipe will require a 1" valve and so forth.
- ● No tooling is required for installation since this is a threaded ball valve and it can easily be fitted onto a pipe with Male NPT Threads
- ● Threads are NPT (National Pipe Threads).
- ● We stock two types of 2 piece ball valves, a compact version and a heavier version. (Both have the same specs 1000 psi WOG)
- ● The Compact Ball Valve: is lighter in weight and has a more compact body making it perfect for applications where space is a concern.
- ● The Heavy Ball Valve: is heavier and has a longer valve handle. (More similar to a Apollo Valve or a Nibco Valve)
The Compact Ball Valve (304 and 316)
● The ultimate space saving ball valve with all the same working pressures as the standard type.
● A favorite for OEM's due to their better price and reliability.
The Heavy Ball Valve (316)
● A premium robust option that has a repeatable function for a lifetime.
● Longer handle and longer body make for a heavier robust valve.
Pressure Chart - 2 PC SS Ball Valve
● Working pressure is 1000 PSI at standard temperatures.
The 2000 PSI Ball Valve:
Features:
- ● Suitable Mediums: WOG (Water, Oil and Gas)
- ● Seals: PFTE/Teflon
- ● Port Size: Full Port Ball Valve (Full Bore)
- ● Threads: Female Thread NPT (National Pipe Thread)
- ● Handle Style: Lever Style Handle with blow-out proof stem.
- ● Locking Device: Handle has a locking latch to lock in the open or closed position (can be removed).
Performance Specifications:● Pressure Rating: 2000 PSI
● Temperature Rating: -13 to 302 degrees Fahrenheit
Design Specifications:● Design Standard:ASME B16.34
● Nominal Diameter: DN8-DN50(1/4”~2”)
● End Connections: DIN259/2999、ISO228/1 & ISO7/1
● Threads: ASME B1.20.1 BS21 DIN299/259
● Inspections and Testing: According to API 598, EN12266-1
Material List - 2000 PSI Ball Valve
- ● Wetted parts that come into contact with the Product are Stainless Steel 316.
- ● Teflon (PTFE) Seats and Seals, suitable for any substance that is compatible with both Stainless Steel and Teflon (PTFE).
- ● Designed to be robust, the handle has built in provision in the form of a blow out proof stem in order to prevent it from the adverse effect of high pressure.
- ● Threaded connections on each end make quick and easy installation.
- * CF8 is an alloy and CF8M is a modification made to that Alloy that is equivalent to AISI stainless steel 316.
General Dimensions - 2000 PSI Ball Valve
● Specially designed for high pressure applications.
● A heavier robust option that can handle double the amount of pressure.
The 3000 PSI Ball Valve:
Features:
- ● Suitable Mediums: Water, Oil and Gas (WOG)
- ● Seals: PTFE/Teflon
- ● Port Size: Full Port (Full Bore)
- ● Threads: Female National Pipe Thread Thread (NPT)
- ● Handle: Lever Style Handle complete with a blow-out proof stem.
- ● Locking Device: Handle has a locking latch to lock in the handle in the closed or open position (can be removed).
Performance Specifications:● Pressure Rating: 3000 PSI
● Temperature Rating: -13 to 302 degrees Fahrenheit
Design Specifications:● Design Standard:ASME B16.34
● Nominal Diameter: DN8-DN50(1/4”~2”)
● End Connections: DIN259/2999、ISO228/1 & ISO7/1
● Threads: ASME B1.20.1 BS21 DIN299/259
● Inspections and Testing: According to API 598, EN12266-1
Material List - 3000 PSI Ball Valve

- ● All Wetted Parts that come into contact with the product are constructed out of Stainless Steel 316.
- ● Teflon (PTFE) Seals (And Seats).
- ● Designed withstand high pressure, the handle has a blow out proof stem for added protection.
- ● Threaded connections on each end make quick and easy installation.
- * CF8 is an alloy and CF8M is a modification made to that Alloy that is equivalent to AISI stainless steel 316.
General Dimensions - 3000 PSI Ball Valve

● Designed for very high pressure
● A very durable option that is capable of handling triple the amount of pressure of a standard ball valve
Custom Labelling
- ● Private labelling available on handle covers as well as a choice of different covers besides the usual blue plastic handle cover.
- ● Brand your ball valve with your company's name
- ● Label your ball valve according to function.
Two Piece Stainless Ball Valve Components
- ● We can provide a range of two piece ball valve parts in a variety of different sizes, including:
- ● Lever Handles with Latch Locking device,
- ● Seats and Seals PTFE (Teflon),
- ● Plastic Handle Covers.
Better than Brass Ball Valves
- ● The 2 pc Ball Valve in Stainless Steel 304 is being sold more and more instead of brass ball valves since it is a similar price.
- ● It is also cleaner than brass since it contains no lead.
- ● it appears the only reason some people are still using brass is because of history and its been grandfathered in.
Two Piece Ball Valve Made From High Grade Stainless Steel
- ● All our products are manufactured in top quality stainless steel in both grades 304 and 316.
- ● This means that it can withstand high and relatively low, temperatures without ill effects.
- ● This high grade material also enables the valves to remain resistant to rust, contamination and corrosion.
- ● The main advantage is that the 2 stainless steel ball valve is relatively inert, meaning it's unlikely to react negatively if it comes into contact with mild chemicals, acids or other hazardous substances.
The 2 Piece SS Ball Valve is a Good Option For OEM's (Original Equipment Manufacturers)
- ● The 2 piece SS ball valve is made out of high grade stainless steel, allowing it to remain strong, stay chemically inert and immune to rust.
- ● Being full bore ball valves they are able to perform well in many challenging applications, maintaining the highest flow rate.
- ● All valves are manufactured standard with a stem that is blow-out proof, including pressure ratings starting at 1000 PSI.
- ● The Teflon (PTFE) Seals allow these 2 pc SS ball valves to function well in high temperature environments, as well as making them chemical resistant.
- ● We offer both a heavy and a compact version – the compact is ideal if you require less weight and a smaller valve for space savings.
We Specialize in 2 Stainless Steel Ball Valve
- ● We are a niche provider of ball valves who provide businesses in a variety of sectors with the components they need to operate efficiently.
- ● No matter what type of ball valve you're looking for, we've normally got what you need in stock, available for rapid delivery in the volume you need.
- ● Click Here to email an inquiry about special pricing, custom parts, special orders
- ● To find out more, place an order or for anything else, call us at (951) 279-5500.
Click Here to Purchase 2 Piece ball Valves

