Features
- ● Suitable Mediums: WOG (Water, Oil and Gas etc...)
- ● Seals: TEFLON (PTFE)
- ● Port: Reduced Port
- ● Threads: National Pipe Thread (Female NPT x Female NPT as well as Male NPT x Female NPT)
- ● Handle Style: Flag style handle.
Performance Specifications:● Pressure: 1000 PSI
● Temperature:-13 to 302 degrees Fahrenheit
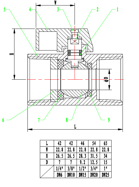
Mini Ball Valve Dimensions: Female NPT x Female NPT

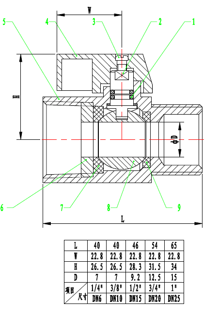
Mini Ball Valve Dimensions: Male NPT x Female NPT

- ● All internal parts that come into contact with the product are stainless Steel 316.
- ● PTFE/Teflon Seals and Seat, make this Miniature ball valve suitable for any medium that is compatible with both PTFE/Teflon and Stainless Steel.
- ● This Mini Valve has only one body part with no joints, making the body leak proof.
Mini Ball Valve Material List

- ● The pipe size determines the valve size, so a 1/2" pipe will require a 1/2" Valve.
- ● Threaded at both ends making them quick and easy to install. (No Tools required for Installation.)
Click Here to Purchase Mini ball Valves

