Female Camlock x Hose Shank
In stock
SKU
Type C Coupler
| Size | 1/2" to 8" |
|---|---|
| Material | Stainless Steel |
| Part Number | Type C |
| Gasket | Buna-N |
| Thread | Hose Barb |
Starting at $7.86
CLICK HERE for all Stainless Camlock Fittings
Type C couplers are used with the same size Type A, Type E, and Type F adapters and are sealed off with a Dust Plug.
- Description:
- ● Stainless Steel Female Camlock Coupler x Hose Shank.
- Used to:
- ● Used to couple with a Male Camlock of the same size.
- ● Used to connect a female camlock coupling directly onto a hose end.
- Connects to:
- ● Will connect to a Male Adapter of the same size.
- ● Will install into a Hose End of the same size.
- Installing:
- ● Insert the hose shank into a hose end of the same size and fasten with hose clamps or crimp with a collar.
- ● Then slide the Female Cam portion over a Male Adapter and close the two lever arms simultaneously.
- ● To disconnect open the cam arms and separate the hose couplings.
- Sizing:
- ● 1/2" up to 8".
- Material:
- ● Stainless Steel 304 and 316.
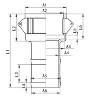
Dimensions:
![]() |
| Size(mm) | 1/2′ | 3/4′ | 1′ | 1-1/4′ | 1-1/2′ | 2′ | 2-1/2′ | 3′ | 4′ | 6′ |
| L1 | 71 | 81 | 95 | 102 | 110 | 133 | 133 | 150 | 168 | 190 |
| L2 | 27 | 30 | 36 | 41 | 44 | 48.5 | 52.5 | 52.5 | 52.5 | 61 |
| L3 | 14 | 16 | 18 | 21 | 21 | 32.5 | 28 | 34 | 45 | 52 |
| L4 | 7 | 9 | 9 | 9 | 9 | 9.5 | 10 | 13 | 13 | 17 |
| L5 | 4.5 | 6.35 | 6.5 | 7.14 | 7.14 | 7.14 | 7.14 | 7.14 | 7.14 | 9.5 |
| L6 | 25.5 | 27 | 33 | 38 | 41 | 45 | 49 | 49 | 48 | 55 |
| A1 | 33.5 | 40.5 | 46.5 | 55 | 63.5 | 73.5 | 88 | 104.5 | 134.5 | 196 |
| A2 | 24.5 | 32.7 | 37.8 | 46 | 54 | 64 | 76.8 | 92.2 | 120.5 | 177 |
| A3 | 26 | 36.12 | 38.5 | 50.8 | 57.2 | 66 | 78 | 96 | 124 | 181 |
| A4 | 9 | 15.5 | 20 | 27 | 34 | 46 | 60 | 70 | 92 | 144 |
| A5 | 14 | 20 | 27 | 33 | 40.5 | 53.5 | 65 | 78 | 103 | 156 |
| A6 | 13 | 19 | 25 | 31.5 | 38 | 51 | 67.5 | 76 | 99 | 153 |
Specifications:
| Size | 1/2" to 8" |
|---|---|
| Material | Stainless Steel |
| Part Number | Type C |
| Gasket | Buna-N |
| Thread | Hose Barb |
Write Your Own Review









