EPDM Gaskets
| Size | 1/2" to 6" |
|---|---|
| Material | EPDM |
| Part Number | Cam and Groove Gasket |
| Temperature Rating | -22°F to 248°F |
Starting at $0.17
CLICK HERE for all Camlock Gaskets
EPDM Camlock Gaskets are installed into Type B, Type C, and Type D couplers as well as into Dust Caps.
- Description:
- ● A circular shaped rubber ring with a flat cross section.
- ● Essentially the shape of a flat O-Ring.
- Function:
- ● They are installed into female camlock couplings.
- ● They form a seal when coupled with the corresponding male adapter.
- Installing/Replacement:
- ● Can be replace by hand by simply removing the old gasket and inserting a new one.
- Temperature Rating:
- ● -22°F to 248°F (-30°C to 120°C)
- Compatibility:
- ● Often used with water, animal and vegetable oils, chemicals and petroleum products.
- ● EPDM is resistant to aging, ozone, weathering and extreme temperatures which is why they are often used in outdoor applications.
- Applications:
- ● Most commonly used in agricultural applications due to its good resistance to fertilizers, chemicals, and water, making it suitable for irrigation and fluid transfer on farms.
- ● Used in a wide range of industries including agriculture, chemical, sanitation and general industry where a water resistant seal is required.
- Also Known as:
- ● EPDM Cam and Groove Gasket
- ● EPDM Rubber Gasket
- ● EPDM Camlock Seals
- Sizing:
- ● 1/2" up to 6".
- Gasket Material:
- ● Ethylene Propylene Diene Monomer (EPDM)
What is a EPDM Gasket?
EPDM Camlock Gaskets are gaskets designed to be used in cam and groove couplings to ensure a water-proof connection when a pair of camlocks are coupled together. These gaskets are made from Ethylene Propylene Diene Monomer (EPDM) which is a synthetic rubber and they are installed as a standard gasket into all Polypropylene female camlocks. EPDM gaskets have an excellent resistance to heat, water, mild acids and alkalis, which makes them ideal for various applications like agriculture, chemical processing, food and beverage, and industrial fluid transfer. With a temperature tolerance ranging from approximately -22°F to 248°F (-30°C to 120°C), these cam and groove gaskets can maintain their flexibility and sealing ability in both hot and cold temperature environments. Their good resistance to aging, weathering, ozone, and UV resistance make them durable and well suited for long-term outdoor use. They are not suitable for petroleum-based fluids or hydrocarbons, for these substances materials like Buna-Nitrile or Viton would be more suitable. Available in various sizes from ½” up to 6” to fit standard camlock couplings.
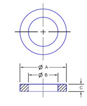
Dimensions:
Specifications:
| Size | 1/2" to 6" |
|---|---|
| Material | EPDM |
| Part Number | Cam and Groove Gasket |
| Temperature Rating | -22°F to 248°F |









