2000 PSI Ball Valves
| Size | 1/4" to 4" |
|---|---|
| Material | Stainless Steel 316 |
| Handles | Stainless Steel 304 |
| Part Number | 2000 WOG Valve |
| Temperature Rating | -4°F to 302°F |
| Thread | Female NPT |
| Working Pressure | 2000 PSI |
| Seal | Teflon (PTFE) |
Starting at $17.79
CLICK HERE for 3000 PSI
CLICK HERE for All 2 Piece Ball Valves
Click here for Specifications
- Description:
- A 2000 psi ball valve is a high pressure industrial valve designed to handle a pressure of 2000 PSI (pounds per square inch).
- It has an inlet and an outlet end connections that are usually threaded to connect to a pipeline.
- It has a lever style handle to open or close the flow of fluid.
- Two piece full port design.
- Uses:
- 2000 WOG valves are used to control the flow of fluids in applications requiring a pressure rating of 2000 PSI.
- Used to control the flow of water, oil or gas (WOG) in high pressure applications.
- Typically used in industrial settings in high pressure environments where a reliable shut of mechanism is required.
- For example in the oil and gas industry, chemical processing and in high pressure water systems
- Advantages:
- Its robust construction allows it to handle extreme pressure in a wide variety of applications.
- A locking mechanism on the handle provides extra safety allowing the valve to be locked in the open or closed position.
- Simple quarter turn handle operation allows for a quick and easy opening and closing.
- Come standard with a blow out proof stem.
- Two piece design allows for servicing.
- Since the price is reasonable it is also feasible to use these in place of standard ball valves in cases where the pressure rating may exceed the standard 1000 PSI.
- Pressure Rating:
- Pressure rated at 2000 pounds per square inch (PSI)
- WOG: for Water, Oil, or Gas.
- Port Size:
- Full port or full bore flow for maximum flow capacity..
- Thread:
- These 2000 WOG ball valves have Female NPT threaded end connections on both the inlet and outlet openings.
- Construction:
- Two piece design means that the valve body is made out of two separate body parts that are threaded together.
- Maintenance:
- With the appropriate expertise the body of a 2-piece valve can be taken apart and unthreaded to expose the seals, ball, and the stem.
- The internal seats and seals can be replaced.
- Applications:
- Commonly used in demanding industrial environments where the flow of fluids need to be controlled in high pressure applications.
- For example in water treatment, chemical processing, and in the oil and gas industy.
- Material:
- This shut off valve is manufactured out of high quality stainless steel 316.
More information
A 2000 PSI ball valve is a high-pressure valve that can handle up to 2000 pounds per square inch (PSI) of pressure and is used to regulate the flow of fluids like water, oil and gas. These valves use a spherical ball with a bore through the center that rotates to control the flow of fluid, providing a reliable shut off and tight seal when closed. Also referred to as 2000 WOG ball valves they are designed to handle fluids like water, oil and gas (WOG) in industrial and commercial applications with a maximum pressure of 2000 PSI. They feature a full port design for maximum flow and have a two piece body construction making it easier for servicing and part replacement. A blow-out proof stem provides added safety under high pressure conditions and a locking handle mechanism enables you to lock the valve in the open or closed position for extra security. Constructed from stainless steel 316, 2000 WOG valves are capable of withstanding high-pressure environments, making them ideal for use in chemical processing, hydraulic systems, oil and gas, and for water treatment. These valves are valued for their reliability, durability, ease of operation, corrosion resistance and low maintenance, providing efficient and long-lasting performance in demanding environments.
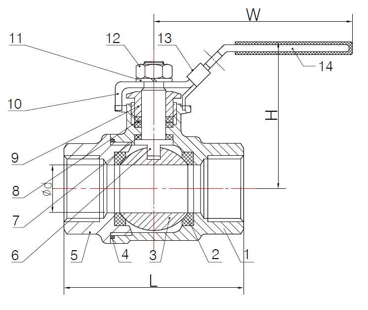
Parts and Components:
Dimensions:
Pressure Graph:

Specifications:
| Size | 1/4" to 4" |
|---|---|
| Material | Stainless Steel 316 |
| Handles | Stainless Steel 304 |
| Part Number | 2000 WOG Valve |
| Temperature Rating | -4°F to 302°F |
| Thread | Female NPT |
| Working Pressure | 2000 PSI |
| Seal | Teflon (PTFE) |








