3-Way Ball Valves
| Size | 1/2" to 2" |
|---|---|
| Material | Stainless Steel 316 |
| Handles | Stainless Steel 304 |
| Part Number | T-Port and L-Port |
| Temperature Rating | -4°F to 302°F |
| Thread | Female NPT |
| Working Pressure | 1000 PSI |
| Seal | Teflon (PTFE) |
Starting at $46.85
Click here for Specifications
Types of Three Way Valves:
- There are two types of three way ball valves: a T-Port and a L-Port.
- They are named after the shape of the bore or cut out in the spherical ball within the valve body.
- Depending on the 3 way ball valve types:
- ● These valves can be used as diverters, where flow from one inlet can be directed to either the two outlets.
- ● They can also be used as mixers where the flow is combined from two sources to one outlet.
T-Port:
A T-port ball valve is a type of 3 way valve where the internal ball has a "T" shaped bore, allowing the fluid to flow between any 3 ports simultaneously. It is used for mixing fluids from different sources or for dividing flow in different directions.
- ● T-port ball valves are also called mixing valves.
- ● Used for mixing fluids since they combine two inlets into a single outlet.
- ● The opposite flow direction will allow a single source to be split into two directions simultaneously.
- ● They can also be used to direct flow between just two ports, either to the left outlet, to the right outlet or straight though.
- ● They cannot shut off the flow completely, they can only shut off the flow in one port at a time.

L-Port:
A L-port ball valve is a type of 3 way valve where the internal ball has a "L" shaped bore, allowing the fluid flow to divert from one inlet to either one of the other 2 outlets. It is used as a flow diverter or as an input selector.
- ● L-port ball valves are also called diverter valves.
- ● Used for diverting fluids since they can direct flow from one inlet into two different outlets.
- ● The opposite flow direction will allow the valve to be used as input selector where the outlet is fed from either of the other two inlets.
- ● They are used to direct flow in one direction at a time at 90 degree angle.
- ● They can shut off the flow completely.

Three way valve flow pattern:
- The flow pattern of a 3 way ball valve is determined by the shape of the bore or internal cut outs in the ball. These internal channels cut out into the ball are either in the shape of a "T" or a "L", and the flow pattern follows this path.
T-Port
- ● There are 3 openings in a T-port, two openings are opposite each other like in a standard ball valve and the third opening is perpendicular at 90 degrees.
- ● Corresponding to these 3 openings it has a T-shaped bore cut out into the ball.
- ● This allows flow to occur in all 3-ports simultaneously in a T-shaped pattern as well as between any 2 ports at a time.
- ● Can mix flow by allowing flow through all 3 ports, and can also allow flow through any 2 ports.
- ● Can only shut off flow at one port at a time, cannot shut off flow completely.
L-Port
- ● There are 2 openings in a L-port, arranged at 90 degrees to each other and that intersect in the middle of the ball.
- ● Corresponding to these 2 openings it has has a L-shaped bore cut out into the ball.
- ● This allows flow to occur between these 2 ports in a L-shaped pattern.
- ● Can send flow in either one way or the other.
- ● It can shut off the flow completely.

More information
A T-port ball valve is a type of 3-way valve designed to direct and to control the flow of fluid in multiple directions within a piping system. Its internal ball has a T-shaped bore, which allows for different flow pattens, including mixing, diverting, and splitting the flow between the three connected ports. Depending on the position of the valve handle, the valve can enable flow between all three ports simultaneously or selectively direct flow between only two of the ports while blocking the third port. Unlike L-port valves, T-port valves do not allow for the complete shut off of the flow. T-port valves are widely used chemical processing, water treatment, and HVAC systems, wherever flow distribution and flow control are required.
An L-port ball valve is a type of 3-way valve designed to switch or divert the flow of fluid between two different directions. The internal ball has an L-shaped bore, which allows for flow redirection such as switching between two inlets or directing flow to different directions. Depending on the position of the valve handle, the valve can enable flow between any two of the three ports at a time while blocking the third, or it can shut off the flow altogether. Unlike T-port valves, L-port valves do not allow flow through all three ports simultaneously. They are commonly used in industrial applications, water distribution systems, and chemical systems where fluid management and controlled flow direction is required.
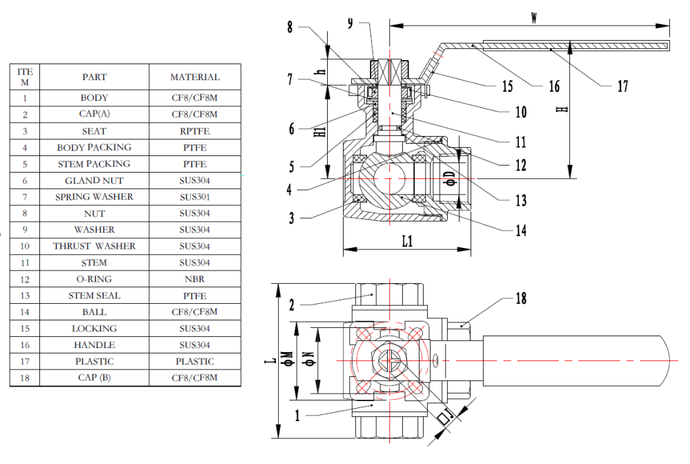
Parts and Components:
Dimensions:
Specifications:
| Size | 1/2" to 2" |
|---|---|
| Material | Stainless Steel 316 |
| Handles | Stainless Steel 304 |
| Part Number | T-Port and L-Port |
| Temperature Rating | -4°F to 302°F |
| Thread | Female NPT |
| Working Pressure | 1000 PSI |
| Seal | Teflon (PTFE) |









